Меню
Каталог

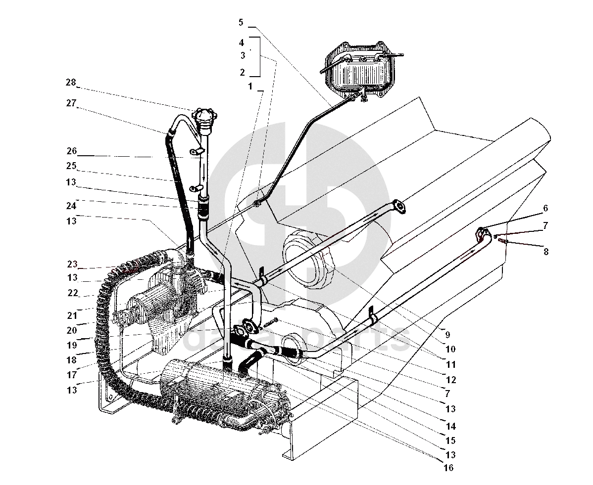
Трубы и шланги системы предпускового подогрева УРАЛ-5557-31

1
4320Я-1015067
Шланг соединительный
Кол-во
1
?
Производитель: Завод УРАЛ
В наличии 7 ед
309 ₽
2
258038-П29
Шплинт 3,2х16
Кол-во
2
?
Производитель: Завод УРАЛ
В наличии 67 ед
20 ₽
Производитель: Завод УРАЛ
под заказ
10 ₽
3
45 9871 1592
Пряжка хомута
Кол-во
2
?
Производитель: Завод УРАЛ
под заказ
7 ₽
4
45 9871 1571
Лента стяжная
Кол-во
2
?
5
375-1104161
Шланг топливопроводный
Кол-во
1
?
В наличии 7 ед
289 ₽
6
4320Я-1015555
Прокладка уплотнительная
Кол-во
2
?
В наличии 242 ед
цена по запросу
7
252135-П2
Шайба 8 пружинная
Кол-во
6
?
Производитель: Завод УРАЛ
В наличии 915 ед
цена по запросу
8
201455-П29
Болт М8-6gх18
Кол-во
4
?
Производитель: Завод УРАЛ
В наличии 339 ед
30 ₽
Производитель: Завод УРАЛ
под заказ
14 ₽
9
4320Я2-1015559
Труба подводящая левая в сборе
Кол-во
1
?
В наличии 1 ед
9 008 ₽
10
4320Я2-1015552
Труба подводящая правая в сборе
Кол-во
1
?
В наличии 2 ед
9 009 ₽
11
339976-П29
Хомут
Кол-во
2
?
12
201458-П29
Болт М8-6gх25
Кол-во
2
?
В наличии 456 ед
32 ₽
Производитель: Завод УРАЛ
под заказ
17 ₽
13
00.78-01
Хомут червячный
Кол-во
14
?
14
4320Я-1015548
Шланг соединительный
Кол-во
2
?
В наличии 5 ед
361 ₽
15
4320Я2-1015564
Тройник в сборе
Кол-во
1
?
В наличии 5 ед
2 145 ₽
16
4320-1015573-04
Шланг соединительный угловой
Кол-во
2
?
В наличии 9 ед
цена по запросу
17
4320Я2-1015128-10
Шланг воздухопровода
Кол-во
1
?
В наличии 101 ед
цена по запросу
18
4320Я2-1015654
Трубка топливная в сборе
Кол-во
1
?
под заказ
285 ₽
19
4320Я-1015011
Прокладка фланца
Кол-во
1
?
В наличии 88 ед
цена по запросу
20
4320Я2-1015204
Труба подводящая насосного агрегата в сборе
Кол-во
1
?
21
4320Я2-1015575
Труба наливная нижняя
Кол-во
1
?
Производитель: г.Миасс
под заказ
430 ₽
22
4320Я2-1015646
Трубка топливная в сборе
Кол-во
1
?
В наличии 20 ед
651 ₽
23
4320-1015720-01
Переходник соединительной трубы
Кол-во
1
?
В наличии 91 ед
78 ₽
24
375-1109220
Шланг соединительный
Кол-во
3
?
В наличии 14 ед
190 ₽
25
4320Я2-1015530
Шланг перепускной со втулкой в сборе
Кол-во
1
?
Производитель: Завод УРАЛ
под заказ
65 ₽
26
4320Я2-1015590
Труба наливная котла верхняя в сборе
Кол-во
1
?
В наличии 7 ед
2 980 ₽
27
00.78-00
Хомут червячный
Кол-во
1
?
28
4320-1015162
Пробка в сборе
Кол-во
1
?
В наличии 65 ед
1 919 ₽
Получить консультацию

Отправляя форму вы подтверждаете согласие с политикой обработки персональных данных.