Меню
Каталог

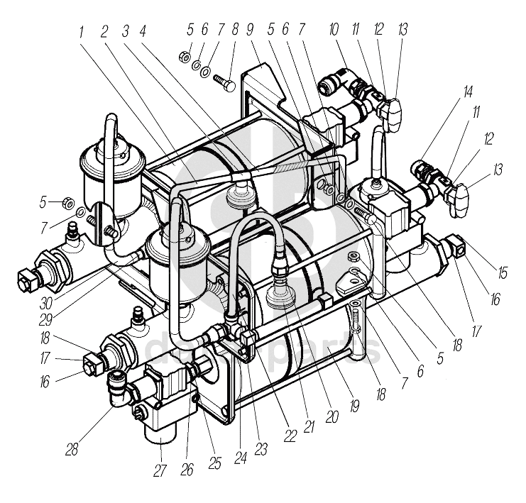
Установка пневмогидравлических усилителей тормозов УРАЛ-4320-1958-70И

1
5557Ш-3510011
Усилитель тормоза пневматический
Кол-во
2
?
2
4320Ф-4712057
Трубка выводная пневмоусилителей
Кол-во
1
?
3
4320П-4712140
Тройник
Кол-во
1
?
Производитель: Завод УРАЛ
под заказ
993 ₽
4
4320Б-4712254
Трубка от пневмоусилителя
Кол-во
1
?
5
250514-П29
Гайка М12-6Н
Кол-во
11
?
В наличии 575 ед
30 ₽
Производитель: Завод УРАЛ
под заказ
26 ₽
6
252137-П2
Шайба 12 пружинная
Кол-во
11
?
7
252007-П29
Шайба 12
Кол-во
11
?
Производитель: Завод УРАЛ
В наличии 78 ед
16 ₽
Производитель: Завод УРАЛ
под заказ
15 ₽
8
200367-П29
Болт М12-6gх45
Кол-во
4
?
Производитель: Завод УРАЛ
В наличии 77 ед
82 ₽
Производитель: Завод УРАЛ
под заказ
76 ₽
9
4320Б-3510095
Кронштейн усилителей
Кол-во
2
?
Производитель: Завод УРАЛ
под заказ
1 455 ₽
10
D650210-M16x1,5-S
Угольник
Кол-во
1
?
11
D2062M16x1,5-M22x1,5-S
Тройник
Кол-во
2
?
12
5323-3506054
Прокладка
Кол-во
2
?
В наличии 60 ед
111 ₽
13
100-3515310-10
Клапан контрольного вывода
Кол-во
2
?
14
DS651010-М16х1,5-S
Штуцер
Кол-во
1
?
15
51-3506012
Болт соединительный
Кол-во
3
?
В наличии 378 ед
283 ₽
16
4320-3506002
Муфта соединительная
Кол-во
3
?
В наличии 177 ед
632 ₽
17
4320-3506054
Прокладка
Кол-во
6
?
В наличии 392 ед
119 ₽
18
201541-П29
Болт М12-6gх32
Кол-во
6
?
Производитель: Завод УРАЛ
В наличии 104 ед
40 ₽
Производитель: Завод УРАЛ
под заказ
33 ₽
19
4320Б-3510011
Усилитель тормоза пневматический
Кол-во
1
?
20
339947
Штуцер М16х1,5-М20х1,5
Кол-во
1
?
под заказ
255 ₽
21
4320Ф-4712130
Глушитель шума в сборе
Кол-во
2
?
В наличии 7 ед
926 ₽
22
4320X-4712054
Трубка герметизации пневмоусилителей
Кол-во
1
?
Производитель: Завод УРАЛ
под заказ
1 067 ₽
23
BK503-3710-0
Выключатель сигнализации
Кол-во
1
?
24
335903
Прокладка
Кол-во
1
?
25
334161
Штуцер
Кол-во
3
?
Производитель: Завод УРАЛ
В наличии 100 ед
361 ₽
26
4320-3514023
Прокладка
Кол-во
9
?
В наличии 39 ед
84 ₽
27
4721950180
Модулятор
Кол-во
3
?
под заказ
2 950 ₽
28
D650210-M22x1,5-S
Фитинг угловой
Кол-во
1
?
29
5323-4712164
Трубка от бачка в сборе
Кол-во
3
?
Производитель: Завод УРАЛ
под заказ
275 ₽
30
375-4245043-10
Шланг соединительный
Кол-во
3
?
В наличии 7 ед
113 ₽

Получить консультацию

Отправляя форму вы подтверждаете согласие с политикой обработки персональных данных.